- 艾寶物聯(lián)IOBOV? ─ 工業(yè)無線測控專家
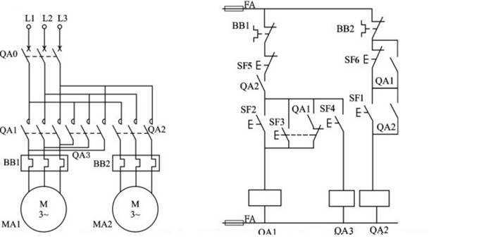
某機床主軸由一臺三相籠型異步電動機拖動,潤滑油泵由另一臺三相籠型異步電動機拖動,均采用直接啟動,工藝要求有;
(1)主軸必須在潤滑油泵啟動后,才能啟動;
(2)主軸為正向運轉(zhuǎn),為調(diào)試方便,要求能正、反向點動;
(3)主軸停止后,才允許潤滑油泵停止;;
(4)具有必要的電氣保護。

按動SF1使QA2得電自鎖,則潤滑油泵MA2啟動,再按動SF2,可使QA1得電自鎖,主軸電動機MA1正向啟動。按SF3可使QA1得電,即主軸電動機MA1正向點動;按SF4可使QA3得電,即主軸電動機MA1反向點動。當潤滑油泵要停轉(zhuǎn)時,必須先使主軸電動機先停止,即QA1常開斷開,再按動SF6。